Nitovacia matica S čiastočne šesťhranným driekom a oblúkovou hlavou
Obl.hlava, oceľ, pozink., čiast.šesťhr.driek, otv.
MATICA-NIT-MHD-6HR-(0,8-4,0)-(A2K)-24,0-
Obj. č. 094830610
EAN 4045989570287
Cena za zvolené balenie
Veľkoobchod pre podnikateľov
Zaregistrujte sa s vaším IČO, aby ste videli ceny a mohli u nás nakupovať.
- Materiál: Pozinkovaná oceľ, modrá pasivovaná
- Bez chrómu (VI)
- Vynikajúca poistka proti otáčaniu
- Na použitie s vrstvenými komponentmi
Informácie o výrobku
Hárky údajov(X)
Údaje CAD (dostupné po prihlásení)
![]() | |
Materiál | Oceľ |
Povrch | Pozinkované |
Spĺňa požiadavky smernice ROHS | Áno |
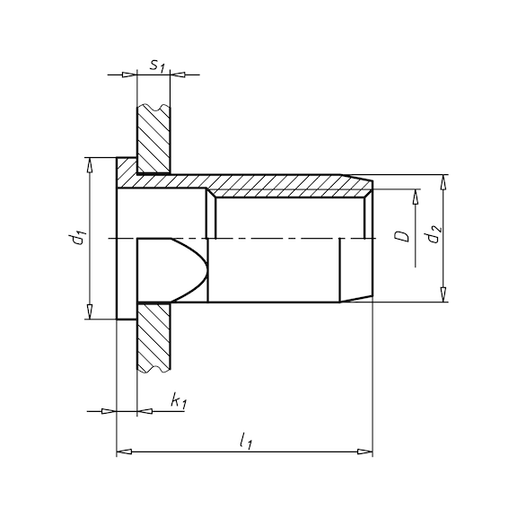
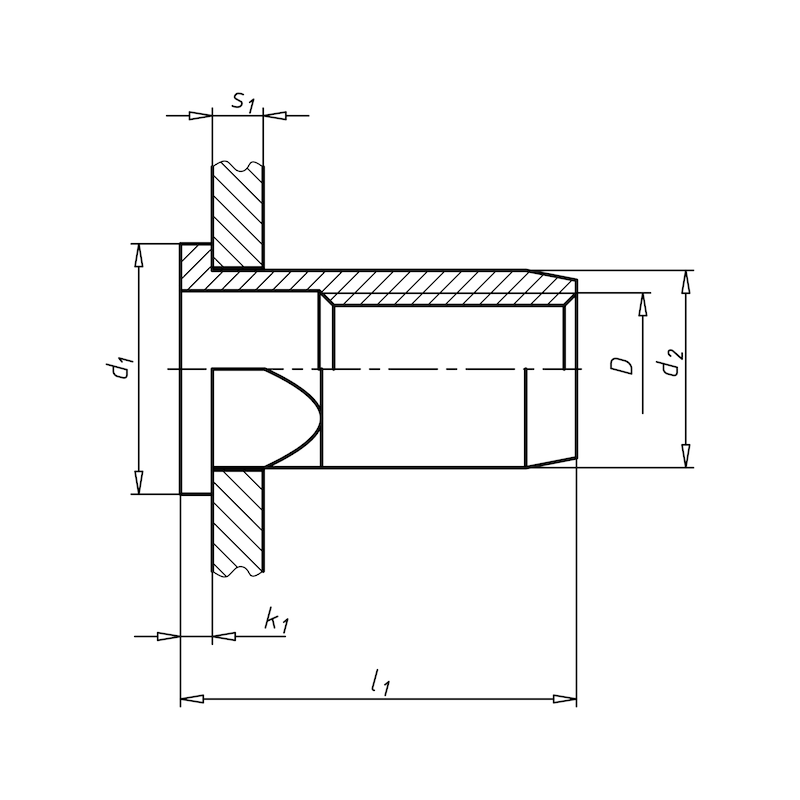
Druh závituxmenovitý priemer (D) | M10 |
Veľkosť kľúča | 13 mm |
Dĺžka (l1) | 24 mm |
Priemer hlavy (d1) | 16,5 mm |
Výška hlavy (k1) | 2,1 mm |
Min./max. rozsah upnutia (s1) | 0,8-4 mm |
Zaťaženie na medzi roztrhnutia v ťahu | 29400 N |
Zaťaženie na medzi strihu | 3400 N |
Doťahovací moment max. | 35 Nm |
Podrobnosti o drieku | Sčiastočnou šesťhrannou násadou |
Tvar hlavy | Plochá zaoblená hlava |
Vybrať hodnotu farby RAL
UPOZORNENIE: Zobrazenie farby na obrazovke sa líši od skutočného farebného odtieňa!
